کاسٹ اسٹیل گلوب والو
کاسٹ اسٹیل گلوب والو
انکوائری بھیجنے
کاسٹ اسٹیل گلوب والو
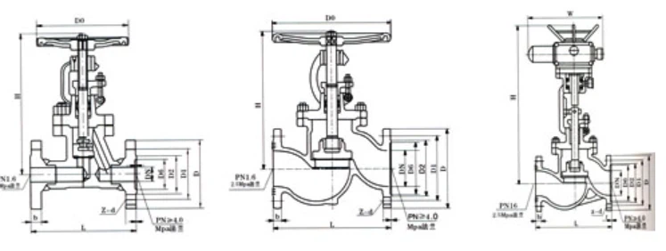
1. مکمل طور پر بند ہونے پر، ہینڈ وہیل گھڑی کی سمت میں گھومتا ہے۔
2. پائپ لائن کی کسی بھی پوزیشن پر نصب کرنے کے قابل، درمیانے درجے کے نیچے سے اوپر کی طرف بہتی ہے۔
3. سٹینلیس سٹیل سے بنا سٹاپ والو اچھی اینٹی corrosive پراپرٹی اور کافی طاقت کا ہے اور corrosive میڈیم والی مختلف پائپ لائنوں کے لیے موزوں ہے۔
4. الائے اسٹیل سے بنے اسٹاپ والو میں اعلی درجہ حرارت کی مزاحمت ہے، جو اعلی درجہ حرارت والی بھاپ اور تیل کے سامان کی پائپ لائنوں کے لیے موزوں ہے۔


| PN(MPa) برائے نام دباؤ | 1.6 | 2.5 | 4.0 | 6.4 | 10.0 | 16.0 |
| شیل طاقت ٹیسٹ | 2.4 | 3.8 | 6.0 | 9.6 | 15 | 24 |
| بیک سیل ٹیسٹ | 1.8 | 2.8 | 4.4 | 7.0 | 11 | 18 |
| سیل ٹیسٹ | 1.8 | 2.8 | 4.4 | 7.0 | 11 | 18 |
| مصنوعات کی درجہ بندی | مناسب میڈیم | (ڈگری) مناسب درجہ حرارت |
| پانی، بھاپ، تیل کا سامان | 425 ڈگری سے کم یا اس کے برابر 450 ڈگری سے کم یا اس کے برابر |
|
| گندھک کا تیزاب | 200 ڈگری سے کم یا اس کے برابر | |
| ایسیٹک ایسڈ | 200 ڈگری سے کم یا اس کے برابر | |
| پانی، بھاپ، تیل کا سامان | 550 ڈگری سے کم یا اس کے برابر |



ڈاؤن لوڈ، اتارنا ٹیگ: کاسٹ اسٹیل گلوب والو، چین کاسٹ اسٹیل گلوب والو مینوفیکچررز، سپلائرز، فیکٹری
You Might Also Like
انکوائری بھیجنے


